详细介绍
产品规格:
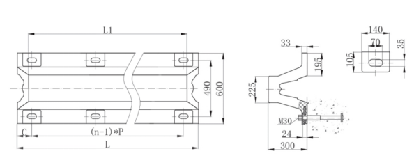
DA-A300H

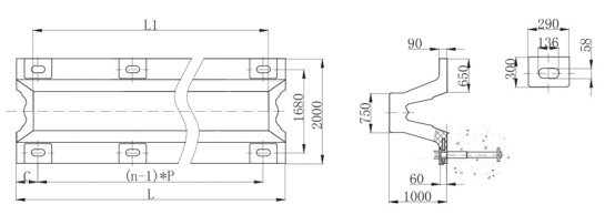
规格型号 | C(mm) | P(mm) | L1(mm) | L(mm) | n |
DA-A300X1000 | 140 | 870 | 1000 | 1150 | 2 |
DA-A300X1500 | 140 | 685 | 1500 | 1650 | 3 |
DA-A300X2000 | 137.5 | 625 | 2000 | 2150 | 4 |
DA-A300X2500 | 140 | 790 | 2500 | 2650 | 4 |
DA-A300X3000 | 145 | 715 | 3000 | 3150 | 5 |
DA-A300x3500 | 140 | 674 | 3500 | 3650 | 6 |
产品性能曲线:
R:KN E:KN.M | RS | RH | RO | RL | |||||
52.5% | 55% | 52.5% | 55% | 52.5% | 55% | 52.5% | 55% | ||
DA-A300X1000 | R | 324 | 450 | 249 | 346 | 206 | 286 | 177 | 246 |
E | 41 | 44 | 31 | 33 | 26 | 28 | 22 | 24 | |
DA-A300X1500 | R | 486 | 675 | 374 | 519 | 309 | 429 | 266 | 369 |
E | 62 | 66 | 47 | 50 | 39 | 42 | 33 | 36 | |
DA-A300X2000 | R | 648 | 900 | 498 | 692 | 412 | 572 | 354 | 492 |
E | 82 | 88 | 62 | 66 | 52 | 56 | 44 | 48 | |
DA-A300X2500 | R | 810 | 1125 | 623 | 865 | 515 | 715 | 443 | 615 |
E | 103 | 110 | 78 | 83 | 65 | 70 | 55 | 60 | |
DA-A300X3000 | R | 972 | 1350 | 747 | 1038 | 618 | 855 | 531 | 738 |
E | 123 | 132 | 93 | 99 | 78 | 84 | 66 | 72 | |
DA-A300X3500 | R | 1134 | 1575 | 872 | 1211 | 721 | 1001 | 620 | 861 |
E | 144 | 154 | 109 | 116 | 91 | 98 | 77 | 84 | |
说明:性能公差±10%
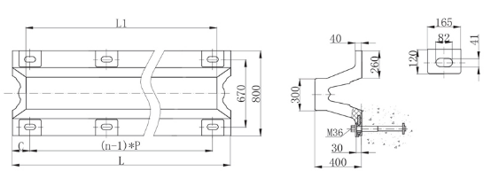
2. DA-400H

规格尺寸 | C(mm) | P(mm) | L1(mm) | L(mm) | n |
DA-A400X1000 | 150 | 900 | 1000 | 1200 | 2 |
DA-A400X1500 | 150 | 700 | 1500 | 1700 | 3 |
DA-A400X2000 | 147.5 | 635 | 2000 | 2200 | 4 |
DA-A400X2500 | 150 | 800 | 2500 | 2700 | 4 |
DA-A400X3000 | 150 | 725 | 3000 | 3200 | 5 |
DA-A400x3500 | 150 | 680 | 3500 | 3700 | 6 |
产品性能曲线:
R:KN E:KN.M | RS | RH | RO | RL | |||||
52.5% | 55% | 52.5% | 55% | 52.5% | 55% | 52.5% | 55% | ||
DA-A400X1000 | R | 432 | 600 | 332 | 461 | 275 | 382 | 236 | 328 |
E | 73 | 78 | 56 | 60 | 46 | 49 | 40 | 43 | |
DA-A400X1500 | R | 648 | 900 | 498 | 692 | 413 | 573 | 354 | 492 |
E | 110 | 117 | 84 | 90 | 69 | 74 | 60 | 65 | |
DA-A400X2000 | R | 864 | 1200 | 664 | 922 | 550 | 764 | 472 | 656 |
E | 146 | 156 | 112 | 120 | 92 | 98 | 80 | 86 | |
DA-A400X2500 | R | 1080 | 1500 | 830 | 1153 | 688 | 955 | 590 | 820 |
E | 183 | 195 | 140 | 150 | 115 | 123 | 100 | 108 | |
DA-A400X3000 | R | 1296 | 1800 | 996 | 1383 | 825 | 855 | 708 | 984 |
E | 219 | 234 | 168 | 180 | 138 | 147 | 120 | 129 | |
DA-A400X3500 | R | 1512 | 2100 | 1162 | 1614 | 963 | 1001 | 826 | 1148 |
E | 256 | 273 | 196 | 210 | 161 | 172 | 140 | 151 | |
说明:性能公差±10%
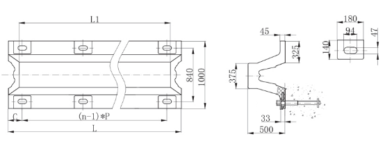
3.DA-A500H

规格尺寸 | C(mm) | P(mm) | L1(mm) | L(mm) | n |
DA-A500X1000 | 160 | 930 | 1000 | 1250 | 2 |
DA-A500X1500 | 160 | 715 | 1500 | 1750 | 3 |
DA-A500X2000 | 157.5 | 645 | 2000 | 2250 | 4 |
DA-A500X2500 | 160 | 810 | 2500 | 2750 | 4 |
DA-A500X3000 | 165 | 730 | 3000 | 3250 | 5 |
DA-A500x3500 | 160 | 686 | 3500 | 3750 | 6 |
产品性能曲线:
R:KN E:KN.M | RS | RH | RO | RL | |||||
52.5% | 55% | 52.5% | 55% | 52.5% | 55% | 52.5% | 55% | ||
DA-A500X1000 | R | 540 | 750 | 415 | 576 | 344 | 478 | 295 | 410 |
E | 113 | 121 | 87 | 93 | 72 | 77 | 62 | 66 | |
DA-A500X1500 | R | 810 | 1125 | 623 | 864 | 516 | 717 | 443 | 615 |
E | 170 | 182 | 131 | 140 | 108 | 116 | 93 | 99 | |
DA-A500X2000 | R | 1080 | 1500 | 830 | 1152 | 688 | 956 | 590 | 820 |
E | 226 | 242 | 174 | 186 | 144 | 154 | 124 | 132 | |
DA-A500X2500 | R | 1350 | 1875 | 1038 | 1440 | 860 | 1195 | 738 | 1025 |
E | 283 | 303 | 218 | 233 | 180 | 193 | 155 | 165 | |
DA-A500X3000 | R | 1620 | 2250 | 1245 | 1728 | 1032 | 1434 | 885 | 1230 |
E | 339 | 363 | 261 | 279 | 216 | 231 | 186 | 198 | |
DA-A500X3500 | R | 1890 | 2625 | 1453 | 2016 | 1204 | 1673 | 1033 | 1435 |
E | 396 | 424 | 305 | 326 | 252 | 270 | 217 | 231 | |
说明:性能公差±10%
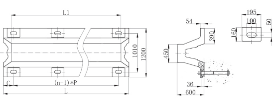
4.DA-A600H

规格尺寸 | C(mm) | P(mm) | L1(mm) | L(mm) | n |
DA-A600X1000 | 170 | 960 | 1000 | 1300 | 2 |
DA-A600X1500 | 170 | 730 | 1500 | 1800 | 3 |
DA-A600X2000 | 167.5 | 655 | 2000 | 2300 | 4 |
DA-A600X2500 | 170 | 820 | 2500 | 2800 | 4 |
DA-A600X3000 | 170 | 740 | 3000 | 3300 | 5 |
DA-A600x3500 | 170 | 692 | 3500 | 3800 | 6 |
产品性能曲线:
R:KN E:KN.M | RS | RH | RO | RL | |||||
52.5% | 55% | 52.5% | 55% | 52.5% | 55% | 52.5% | 55% | ||
DA-A600X1000 | R | 647 | 899 | 498 | 692 | 412 | 572 | 354 | 492 |
E | 163 | 175 | 126 | 135 | 104 | 111 | 89 | 95 | |
DA-A600X1500 | R | 971 | 1349 | 747 | 1038 | 618 | 858 | 531 | 738 |
E | 245 | 263 | 189 | 203 | 156 | 167 | 134 | 143 | |
DA-A600X2000 | R | 1294 | 1798 | 996 | 1384 | 824 | 1144 | 708 | 984 |
E | 326 | 350 | 252 | 270 | 208 | 222 | 178 | 190 | |
DA-A600X2500 | R | 1618 | 2248 | 1245 | 1730 | 1030 | 1430 | 885 | 1230 |
E | 408 | 438 | 315 | 338 | 260 | 278 | 223 | 238 | |
DA-A600X3000 | R | 1941 | 2697 | 1949 | 2076 | 1236 | 1716 | 1062 | 1476 |
E | 489 | 525 | 378 | 405 | 312 | 333 | 167 | 285 | |
DA-A4600X3500 | R | 2265 | 3147 | 1734 | 2422 | 1442 | 2002 | 1239 | 1722 |
E | 571 | 613 | 441 | 473 | 364 | 389 | 312 | 333 | |
说明:性能公差±10%
5.DA-A800H

规格尺寸 | C(mm) | P(mm) | L1(mm) | L(mm) | n |
DA-A800X1000 | 180 | 1040 | 1000 | 1400 | 2 |
DA-A800X1500 | 180 | 770 | 1500 | 1900 | 3 |
DA-A800X2000 | 182 | 680 | 2000 | 2400 | 4 |
DA-A800X2500 | 182.5 | 845 | 2500 | 2900 | 4 |
DA-A800X3000 | 180 | 760 | 3000 | 3400 | 5 |
产品性能曲线:
R:KN E:KN.M | RS | RH | RO | RL | |||||
52.5% | 55% | 52.5% | 55% | 52.5% | 55% | 52.5% | 55% | ||
DA-A800X1000 | R | 864 | 1200 | 664 | 922 | 550 | 764 | 472 | 656 |
E | 290 | 311 | 223 | 239 | 185 | 198 | 159 | 170 | |
DA-A800X1500 | R | 1296 | 1800 | 996 | 1383 | 825 | 1146 | 708 | 984 |
E | 435 | 467 | 335 | 359 | 278 | 297 | 239 | 255 | |
DA-A800X2000 | R | 1728 | 2400 | 1328 | 1844 | 1100 | 1528 | 944 | 1312 |
E | 580 | 622 | 446 | 478 | 370 | 396 | 318 | 340 | |
DA-A800X2500 | R | 2160 | 3000 | 1660 | 2305 | 1375 | 1910 | 1180 | 1640 |
E | 725 | 778 | 558 | 598 | 463 | 495 | 398 | 425 | |
DA-A800X3000 | R | 2592 | 3000 | 1992 | 2766 | 1650 | 2292 | 1416 | 1968 |
E | 870 | 933 | 669 | 717 | 555 | 594 | 477 | 510 | |
说明:性能公差±10%
6.DA-A1000H

规格尺寸 | C(mm) | P(mm) | L1(mm) | L(mm) | n |
DA-A1000X1000 | 200 | 1100 | 1000 | 1500 | 2 |
DA-A1000X1500 | 200 | 800 | 1500 | 2000 | 3 |
DA-A1000X2000 | 202 | 700 | 2000 | 2500 | 4 |
产品性能曲线:
R:KN E:KN.M | RS | RH | RO | RL | |||||
52.5% | 55% | 52.5% | 55% | 52.5% | 55% | 52.5% | 55% | ||
DA-A1000X1000 | R | 1080 | 1500 | 830 | 1153 | 688 | 956 | 590 | 820 |
E | 454 | 486 | 349 | 374 | 289 | 310 | 248 | 266 | |
DA-A1000X1500 | R | 1620 | 2250 | 1245 | 1730 | 1032 | 1434 | 885 | 1260 |
E | 681 | 729 | 524 | 561 | 434 | 465 | 372 | 399 | |
DA-A1000X2000 | R | 2160 | 3000 | 1660 | 2306 | 1376 | 1912 | 1180 | 1640 |
E | 908 | 972 | 698 | 748 | 578 | 620 | 496 | 532 | |
说明:性能公差±10%
相关类型:


