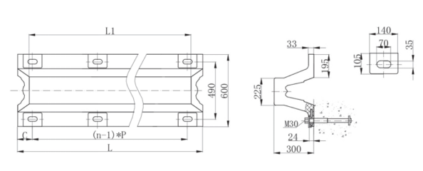
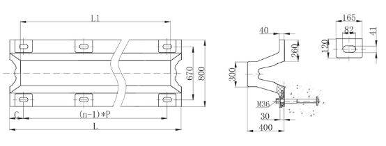
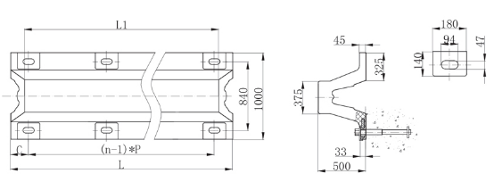
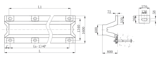
Super Arch fender
Features:
High Energy Absorption, Low reaction force;
Simple and reasonable structure, with long life span;
High Durability;
Large Range Performance;
Easy Installation;
Applications:
Container Terminals;
Grocery Ship;
Ro-RO Ship and Cruise Terminal;
Shipyard;








